| Sign In | Join Free | My wpc-board.com |
|
Brand Name : BMS
Model Number : YX90-150
Certification : CE/SGS/ISO9001
Place of Origin : Xiamen,China
MOQ : 1 Set
Price : Negotiate
Payment Terms : L/C, T/T
Supply Ability : 30set/month
Delivery Time : 45days
Packaging Details : The main machine is directly loaded into the container, and the electrical components are wrapped with plastic film.
Forming steps : 18 station
Shaft diameter : φ75mm
Machine stand : 450H steel
Machine frame : Steel plate welded
Roller material : 45# Steel with HRC56-58ºC, quenching and finishing
Shaft material : 45# steel with quenching and tempering
Work speed : 12-15m/min
ransport : By Chains
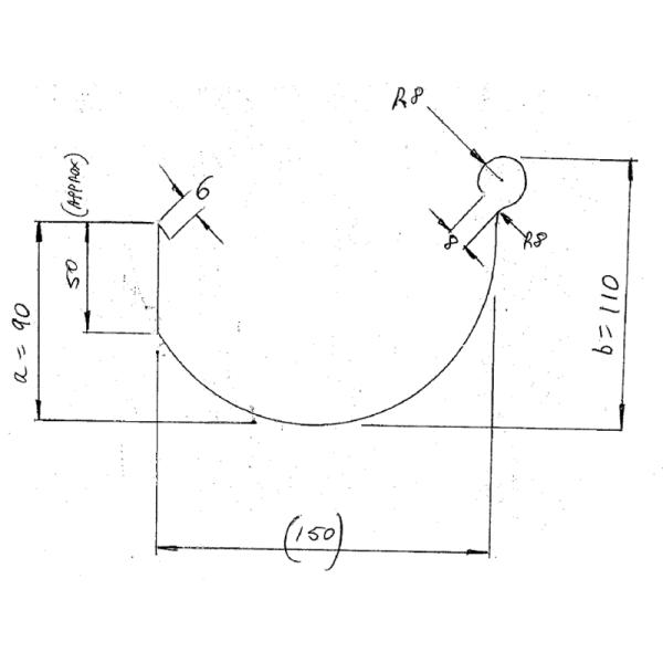
Profile

Material
Effective Width:150mm
Feeding Width: about 310mm
Material Thickness:0.4-0.5mm
Applicable Material:PPGI
With Yield Strengt:550Mpa
Work Flow
Decoiler→Manual Pre Cutter Device→Feed Guide Device→Rolling Forming System→Hydraulic Post Cutting Device→Exit Rack

Packing List
| No. | Item | Unit | Qty |
| 1. | Decoiler | set | 1 |
| 2. | Main Roll Forming Machine | set | 1 |
| 3. | Cutting System | set | 1 |
| 4. | Oil Pump | set | 1 |
| 5. | PLC control Box | set | 1 |
| 6. | Exit Rack | set | 1 |
| 7. | Tools | box | 1 |

Machine Components
1) 3 Ton Manual Decoiler: one set
Manual control steel coil inner bore shrinkage and stop
Max. feeding width:300mm,Coil ID Range:508±30mm

2) Manual Pre-Cutter & Feed Guide Device
A left and right guiding device at the main entrance of the machine. During work,Raw materials on both sides of the plate the enter into the machine by the left and right guiding device,make the raw materials and roll forming system to maintain the correct position. The guiding position can be adjusted by the manual screw mechanism,and the left and right can be adjusted independently.

body frame made from H450 type steel by welding
Side wall thickness: Q235 t18mm
Rollers manufactured from 45# Steel,CNC lathes,Heat Treatment,hard Chrome Coated,with thickness 0.04mm,surface with mirror treatment(for longer life and anti-rust)
Shafts Diameter=ф75mm,precision machined
Gear/Sprocket driving,about 18-step to form
Main Motor(Polaroid brand)=7.5KW,Frequency speed control
Speed redcucer motor:R series
Chain: ZIQIANG (by China TOP 1 brand DONGHUA Group)
Chain size: one inch with 18 teeth
All the screw bolts with grade 8.8(cheap factories use low grade 4.8) to ensure fix the machine structure tightly and long life during the machine long time running.
Real forming speed 12-15m/min

4) Post Hydraulic Cutting Device
Leveling device will make the product more beautiful
Hydraulic motor: 3KW;Cutting pressure: 0-16Mpa
Cutting tool material: Cr12Mov(= SKD11 with at least one million times of cutting life), Heat treatment to HRC58-62 degree
The cutting power is provided by the main engine Independent hydraulic station
5) PLC Control System
Control The Quantity And Cutting Length Automatically
Input The Production Data(Production Batch,pcs,Length,etc.)On The Touch Screen ,
It Can Finish The Production Automatically.
Combined With: PLC, Inverter, Touch Screen, Encoder, etc
6) Exit Rack
Un-powered, Two units,with rollers on it for easy movement

7) Product Show


Packing Style
Packing method: Main body of machine is naked and covered by plastic film(to protect of dust and corrosion),loaded into container and steadily fixed in container suitable by steel rope and lock, suitable for long-distance transportation.

|
|
Professional Quad Gutter Roll Forming Machine For YX90-150 Profile Images |